+7 (912)-751-33-24Заказать звонок
Заказать звонок

Оставьте Ваше сообщение и контактные данные и наши специалисты свяжутся с Вами в ближайшее рабочее время для решения Вашего вопроса.

Ваш телефон
Ваш телефон*
Ваше имя
Ваше имя

* - Поля, обязательные для заполнения

Сообщение отправлено
Ваше сообщение успешно отправлено. В ближайшее время с Вами свяжется наш специалист
Закрыть окно
arbatex@list.ru
Каталог товаров
Подписка на новости магазина

Подпишитесь на рассылку и получайте свежие новости и акции нашего магазина.

Описание товара:

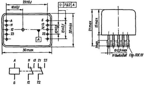
РГК-14 БГ4.569.001-03 реле электромагнитное герконовое неполяризованное одностабильное слаботочное применяется для получения независимой выдержки времени. Реле времени применяется в схемах, где необходимо автоматически выполнить какое-то действие через определенный промежуток времени. Механизм реле размещен в пластмассовом корпусе, на лицевой части реле выведен переключатель поддиапазона установок и ручка установки выдержки времени.
89 руб. / шт Цена не является конечной и требует уточнения у менеджера.
Загрузка
Рассчитываем стоимость доставки
Пожалуйста подождите, рассчет займет немного времени

Описание товара

Описание реле РГК-14 БГ4.569.001-03


РГК-14 БГ4.569.001-03 реле электромагнитное герконовое неполяризованное одностабильное слаботочное применяется для получения независимой выдержки времени. Реле времени применяется в схемах, где необходимо автоматически выполнить какое-то действие через определенный промежуток времени. Механизм реле размещен в пластмассовом корпусе, на лицевой части реле выведен переключатель поддиапазона установок и ручка установки выдержки времени.

Параметры и характеристики реле РГК-14 БГ4.569.001-03:

Сопротивление электрических контактов (при напряжении (6±1) В и силе тока (10±1) мА) - 06 Ом.
Время срабатывания  не более - 2,0 мс.
Время отпускания, не более 2,5 мс.
Сопротивление изоляции между токоведущими цепями реле, а также между токоведущими цепями и корпусом, МОм:
в нормальных климатических условиях (обмотка обесточена)-500 МОм.
при максимальной рабочей температуре (после выдержки обмотки под рабочим напряжением) - 20 МОм.
Сопротивление изоляции в условиях повышенной влажности, МОм:
между контактами, между контактами и обмоткой, а также между контактами и корпусом -10 МОм.
Между обмоткой и корпусом - 5 МОм.
Испытательное напряжение переменного тока (эффективное значение) между токоведущими цепями реле, а также между токоведущими цепями и корпусом, В:
в нормальных климатических -500 В.
условиях в условиях повышенной влажности -300 В.
при пониженном атмосферном давлении - 150 В.
Испытательное напряжение переменного тока (эффективное значение) между разомкнутыми контактами -125 В.
Масса не более: реле РГК 13 -13 г. реле РГК 14 -18г.
Добавить отзыв
Ваша оценка:
Отправить отзыв

Похожие товары (8)

89 руб. / шт Цена не является конечной и требует уточнения у менеджера.
РГК-14 БГ4.569.001-03
Задать вопрос

Ваше имя*
Контактный телефон*
E-mail
Вопрос*

* - Поля, обязательные для заполнения

Сообщение отправлено
Ваше сообщение успешно отправлено. В ближайшее время с Вами свяжется наш специалист
Закрыть окно
Купить в один клик
Заполните данные для заказа
Запросить стоимость товара
Заполните данные для запроса цены
Запросить цену Запросить цену